
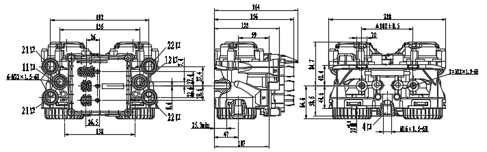
1、工作环境温度:-40℃-+80℃;
2、工作电压:18V-32V;
4、额定工作压力:Pe=1.0Mpa;
5、最大工作压力:Pmax=1.3Mpa;
6、防护等级:IP67;
7、1、2号口M22X1.5,4号口M16x1.5, 安装孔2-M12X1.5深30,
电器接插件12P,1-1703639-1,电器接插件4P,2-1418390-1
8、不同技术状态图号不同,需做详细技术对接。

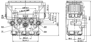
1、工作环境温度:-40℃-+80℃;
2、工作电压:18V-32V;
4、额定工作压力:Pe=1.0Mpa;
5、最大工作压力:Pmax=1.3Mpa;
6、防护等级:IP67;
7、1、2号口M22X1.5,4号口M16x1.5;
8、不同技术状态图号不同,需做详细技术对接。